29 Beverly RoadCharleston, SC 29407
Due to the health concerns created by Coronavirus we are offering personal 1-1 online video walkthough tours where possible.




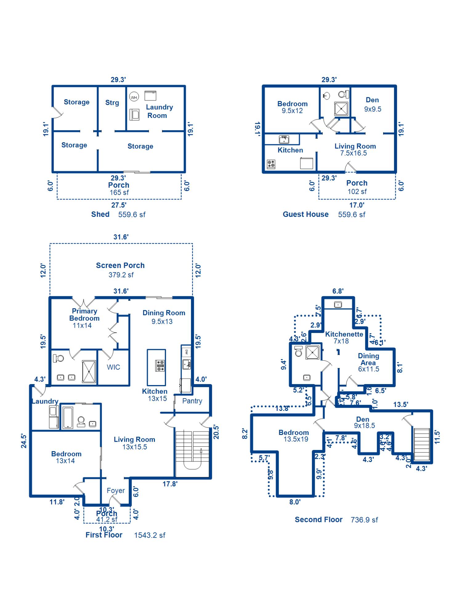
A rare in-town offering in sought-after Old Windermere, this beautifully renovated brick bungalow delivers charm, flexibility, and income potential in one of Charleston's most convenient locations. Renovated in 2019, the property features a spacious main residence with updated interiors and an upper-level in-law suite with a semi-private entrance, ideal for guests, a private office, or extended family. A separate 1 bed/1 bath back cottage positioned along the Greenway adds even more versatility and includes a lower-level enclosed hobby shop or oversized storage space with room to expand. Outside, the generous lot is framed by native plantings and mature trees, offering a peaceful setting just moments from restaurants, shopping, schools, downtown Charleston, and MUSC. With two water meters
| 3 days ago | Listing updated with changes from the MLS® | |
| 3 days ago | Listing first seen on site |
Listing information is provided by Participants of the CHS Regional MLS. IDX information is provided exclusively for personal, non-commercial use, and may not be used for any purpose other than to identify prospective properties consumers may be interested in purchasing. Information is deemed reliable but not guaranteed. Copyright 2026, CHS Regional MLS.
Last checked: 2026-04-20 06:15 PM UTC

Did you know? You can invite friends and family to your search. They can join your search, rate and discuss listings with you.